HomeGrill ManufacturersChar-Broil Developing Dual Zone Heating for Electric Grills

Subscribe to the free weekly Weekend Refuel newsletter

Char-Broil Developing Dual Zone Heating for Electric Grills

If recent patent and trademark filings are any indication, Char-Broil is all-in on electric grills. They released the EDGE electric grill last spring, which performed well when we tested it. Is a two zone setup, or an electric smoker box in store for its future?

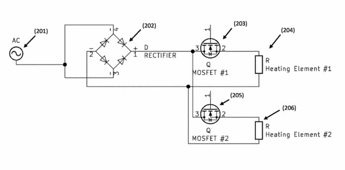
Two Zone Heating

Have two zones on a grill is helpful, because not everything cooks at the same temperature. It allows you to cook a meal’s worth of food at the same time. A shortcoming of the EDGE is it has one zone, that’s controlled by a temperature dial. Having more than one zone is also important if Char-Broil wants to eat away at market share controlled by gas grills, which often feature more than one zone.

Get premium content access with no ads for $8.

Already a premium member? Sign In Here

SourceUSPTO
RELATED ARTICLES

Most Popular